Productomschrijving
Hayward Cofies Design Skimmer 3039
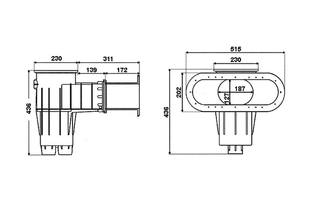
De Hayward Cofies skimmer 3039 is een specifieke skimmer met een extra brede skimmermond.
Deze kan worden toegepast in foliezwembaden,paneelbaden en Betonnen zwembaden
De Skimmer wordt in twee losse delen, met klemmen en ABS lijm geleverd.
De Hayward 3039 skimmer is al 25 jaar een van de meest gebruikte skimmers.
Gemaakt in een zware kwaliteit waardoor problemen met lekkages zijn uitgesloten.
Kleur: wit, 2 aansluitmogelijkheden 63F lijmverbinding en 2″F binnendraad.
Hayward skimmer voor foliebad met brede zuigmond 40cm
inclusief overloop aansluiting 32mm
geruisloze klep en overloopbeveiliging















Beoordelingen
Er zijn nog geen beoordelingen.